2011 Ford Escape Air Conditioner Wiring Diagram
Auto ac compressor wire connection diagram ta wiring full ford escape ricks air conditioning 22 car pdf system overview or truck conditioner repair aircon parts aprilaire thermostat toyota yaris l 2018 house in electrical circuits and devices how to read diagrams short honda civic ex 2008 corolla 2011 co infiniti. Obtaining from factor A to point B.

Interior Fuse Box Diagram Ford Escape 2008 2009 2010 2011 2012 Ford Escape Fuse Box Fuse Panel
This top-grade product is expertly made in compliance with stringent industry standards to offer a fusion of a well-balanced design and high level of craftsmanship.

2011 ford escape air conditioner wiring diagram. 2008 Ford Escape Radio Wiring Diagram 18211 Amazing Wiring. TrailerWiring01b And Ford F350 Trailer Wiring Diagram beautiful 2005 ford escape wiring diagram pictures everything you rh ferryboat us We collect a lot of pictures about 2011 ford Escape Engine Diagram and finally we upload it on our website. 2011 Ford Escape Wiring Diagram.
Air Conditioning Symptoms. Listed below is the vehicle specific wiring diagram for your car alarm remote starter or keyless entry installation into your 2008-2012 Ford Escape. Ford Escape 2011 Cabin Air Temperature Sensor by Motorcraft.
2011 ford escape radio wiring diagram A Novice s Overview to Circuit Diagrams. Engine Diagram 8 Ford Escape Up In 2020 Ford Focus St Ford. Ford Escape AC wiring diagram.
Ford Escape Air Conditioning Diagram ford air conditioner problems it still runs 2010 ford escape replacement air conditioning carid ford escape 2013 2019 lt fuse box diagram how do you recharge an air conditioner for a 2002 ford escape ford escape ac is not working repairpal com a c hoses amp fittings for ford escape ebay table of contents fordservicecontent com air conditioning 2013. Engine Diagram 10 Ford Escape Manual In 2020 Ford Escape Ford. The Battery Junction BoxPower Distribution Box located under the hood and the Smart Junction BoxPassenger Compartment Fuse Panel.
From the thousand photographs on the net in relation to 2005 ford escape wiring diagram choices the top libraries with greatest image resolution only for you and this photographs is among photos choices inside our finest graphics gallery in relation to 2005 Ford Escape Wiring DiagramI am hoping you might like it. A very first look at a circuit representation might be complicated yet if you can review a train map you could review schematics. 2011 escape air condition units change org table of contents fordservicecontent com air conditioner schematic wiring diagram best place to ford escape air conditioning high speed low speed but 2005 ford escape ac wire diagram fixya 2008 ford escape xlt a c blows hot air to fix this i how to fix ac problem on a 2012 ford escape english ac.
Theres lots more information on this site for. This 2011 Ford Escape Fuse Diagram post shows two fuse boxes. Ford Factory Amplifier Wiring Diagram Car Stereo Systems Car.
To properly read a cabling diagram one offers to know how typically the components within the method operate. This information outlines the wires location color and polarity to help you identify the proper connection spots in the vehicle. 2011 ford escape radio wiring diagram.
2000 Pontiac Grand Prix Radio Wiring Diagram Wiring Diagram. 2012 04 01 210724 1. Ford Sierra Wiring Diagrampdf.
Direct OEM replacement Meets strict Ford Motor Company standards. Passenger Side Blows Hot At. Ford Transit Custo Towbar Wiring Diagram Http.
Ford Escape Air Conditioning Diagram Recall 2009 2011 Escape air condition units Change org April 20th 2019 - My air conditioner on my 2011 Ford Escape stopped working Setting 1 does not work at all setting 2 3 4 only work on heat IMMEDIATLY when the car is started the radiator fans start going on high 2006 Ford Escape Gas Air Conditioning System Ford Parts April 6th 2019 - FordPartsGiant. 2007 ford escape engine diagram 2007 ford mustang wiring diagram wiring diagram of 2007 ford escape engine diagram. Pin On Diagram.
Ford Escape Air Conditioning Diagram 2012 ford escape equipment air conditioner problems ford escape 2013 2019 lt fuse box diagram solved ford escape heater vent control fixya 2002 ford escape ignition wiring diagram ford air conditioner problems it still runs ford escape manual heating and air conditioning system 2010 ford escape fuse diagram ricks free auto repair ford escape ac is. 2007 Ford Escape Wiring Diagram - Air Ride Wiring Diagram For Harley For Wiring Diagram Schematics. The 2008 Ford Escape AC wiring diagram is fairly representative of how these systems work.
Interconnecting wire routes may be shown approximately where particular receptacles or fixtures must be on a common circuit. Air Conditioning Infiniti Q50 Premium 2018 System Wiring Diagrams For Cars. Please be sure to test all of your wires with a digital multimeter before making any connections.
For example if a module is powered up also it sends out the signal of half the voltage and the technician would not know this he would think he offers a challenge as he would expect a new 12V signal. That photograph 2011 Ford Escape Wiring Diagram Wiring Diagrams. Literally a circuit is the course that enables electrical power to circulation.
2011 Ford Escape Fuse Diagram Ford Escape Fuse Diagram for Battery Junction Box and Smart Junction Box. Components used in the Ford Escape AC system. 2011 ford escape wiring amp wiring diagram name Architectural wiring diagrams be in the approximate locations and interconnections of receptacles lighting and steadfast electrical facilities in a building.
The function is the same. Many good image inspirations on our internet are the best image selection for 2011 ford Escape Engine. Cylinder head temperature sensor.
Under the hood my air conditioner on my 2011 ford escape stopped working setting 1 does not work at all setting 2 3 4 only work on heat immediatly when the car is started the radiator fans start going on high listed below is the vehicle specific wiring diagram for your car alarm remote starter or keyless entry installation into your 2008 2012 ford escape this information outlines the wires. Ford Orion 1990-1999 Electrical Wiring Diagrampdf. Driver Side With Ac On Blows Cold At 60 Degrees.
Ford S-MAX 2006 Electrical Wiring Diagramrar. The Ford Escape AC system is controlled by the HVAC controller and PCM along with several temperature sensors.

50 Elegant 2016 Ford Fusion Radio Wiring Diagram Ford Fusion Car Audio Installation Trailer Light Wiring

77 Awesome Chrysler Radio Wiring Diagram Chrysler Town And Country Town And Country Chrysler 300
Body Control Modules Ford Escape Limited 2012 System Wiring Diagrams Wiring Diagrams For Cars

Pin By Tony On Electrical Wiring Diagram Electrical Wiring Diagram Fuse Box Defogger

12 Mitsubishi 4g64 Engine Wiring Diagram Engine Diagram Wiringg Net In 2021 Diagram Engineering Mitsubishi

Lance Camper Wiring Diagram In 2021 Lance Campers Camper Diagram

Audi A3 Engine Wiring Diagram And Audi A Wiring Diagram Getting Started Of Wiring Diagram

2011 Ford Focus Electrical Wiring Diagrams Manual

Ford Expedition Stereo Wiring Diagram Ford Expedition Radio Wire Diagram Ford Expedition Radio

Need Wiring Diagram For 2008 Ford Escape The Heater Keeps Kicking In And Out When The Wires Under Dash Are Moved

Wiring Diagram Car Audio In 2021 Pioneer Car Stereo Car Audio Car Stereo

Ram 15 Headlight Wiring Diagram Dodge Ram 2500 Dodge Ram Ram 2500
Ground Distribution Ford Escape 2011 System Wiring Diagrams Schemas De Cablage Pour Voitures

Renault Kangoo Wiring Diagram Download With Schematic Diagrams Throughout
2011 Ford Escape Car Sat For A Couple Of Years Now The Ac Compressor Will Not Engage Ford Automobiles
![]()
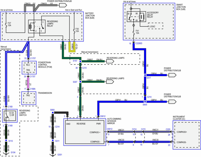
Auto Dimming Mirror 2011 Ford Escape Xlt Freeautomechanic Advice

Ford Escape Ac Wiring Diagram Ricks Free Auto Repair Advice Ricks Free Auto Repair Advice Automotive Repair Tips And How To

Ford Edge Questions 2011 Ford Edge Blower Not Working Replaced The Blower Resistor And Cargurus

View 2011 Ford Escape Radio Wiring Diagram Images In 2021 Ford Fusion Ford Focus Car Hot Rods Cars Muscle
Post a Comment for "2011 Ford Escape Air Conditioner Wiring Diagram"